宣布时间:2021-07-13点击:2839
铜管在制冷空调中至关主要,影响着空调的整体使用效果。今天,我们就来探讨下制冷空调铜管的性能、种别以及常见问题。空调铜管有哪些?
空调铜管大致可以分为通俗空调铜管和脱脂空调铜管。通俗空调:厚度一样平常是2分、3分担0.5mm厚,4分0.6mm厚,5分和6分0.7mm厚;主要用于R22,压力是控制在0.98MPa。
脱脂空调铜管:又被叫做“去油空调铜管”,有2分、3分担是0.8mm厚,4分、5分、6分是1.0mm厚。主要用于R410等新冷媒,压力控制在1.8MPa。
一、空调铜管质料的详细分类
1)无氧铜:包括高纯无氧铜(TU0、TU1、TU2)和磷脱氧铜(TUP、TP1、TP2等),特点是氧含量少少,在脱氧铜中还残留少量的脱氧剂;
2)有氧铜:主要有通俗纯铜(T1、T2、T3等)和韧铜,特点是氧含量较高;
3)特种铜:有砷铜、银铜、碲铜等,特点是划分加入了差别的微量合金元素,以抵达提升质料综合性能的目的。
铜管和热交流器的耐压性和爆破压力
1.常用冷媒标准工况下的事情压力

2.铜管的事情压力
无损检测的要领:涡流检测、水压试验、气压试验。
水压试验盘算公式:P=2st/D-0.8t
P—试验用水的静压力Mpa
t—管材壁厚,mm
D—管材外径,mm
s—质料的允许应力,Mpa
Tp2铜管允许应力划定为s=41.2Mpa(6000psi)

3.铜管的爆破压力

4.热交流器的事情压力和爆破压力

5.影响热交流器爆破压力的诸因素
(1)爆破压力提高的因素:弯管、胀管冷作硬化;包裹铝翅片增强。
(2)爆破压力降低的因素:钎焊热影响;钎焊讨论装配不良。
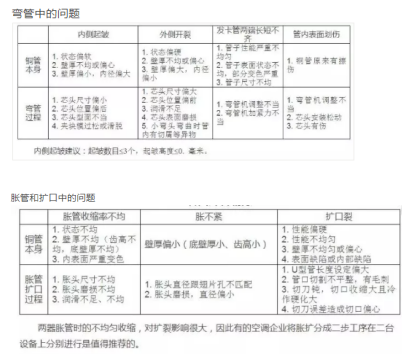
二、铜管在空调机生产中的常见问题
1.热交流器制造中铜管容易爆发的问题

2.空调机或热交流器中铜管的走漏问题
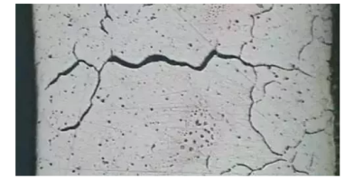
(1)铜管自己问题
a、严重的划伤。
b、铜管有大块夹杂物、非金属夹渣、金属夹杂物或压入物。
c、氧含量高在还原性气氛下加热爆发氢脆性。见下图。

(2)铜管在加工中造成的缺陷
1)大U型管弯头处弯管微裂纹
2)加工中尖锐硬物刺伤铜管
3)铜管钎焊时造成的缺陷
a、虚焊
b、溶蚀穿孔
c、铜管过烧穿孔图
d、铜管上的铝翅片被火焰熔化使铜管,形成环形开裂
4)装配应力+震惊应力造成与压缩机相连的毗连受爆发疲劳裂纹
5)装配应力+碱性气氛(主要是氨气)情形下保管或事情造成应力侵蚀裂纹
6)冰箱铜管的侵蚀走漏
7)蚁穴侵蚀孔洞走漏
三、铜管钎焊问题
1.影响钎焊历程的主要因素
(1)钎料和母材之间相互作用的影响。
(2)钎焊加热温度的影响。
(3)两被钎焊零件之间间隙巨细的影响:毛细高度和间隙宽度成反比,液体钎料中消融母材多,偏离共晶点,使流动性变差。
(4)液体钎焊流动性的影响。
(5)被钎焊金属外貌氧化物的影响。
(6)钎剂的影响。
(7)外貌活性物质的影响。
2.热交流器钎焊时容易泛起的问题
(1)钎料在焊缝间隙中未填满






泉源:制冷百科
免责声明:本站部分图片和文字泉源于网络网络整理,仅供学习交流,版权归原作者所有,并不代表我站看法。本站将不肩负任何执法责任,若是有侵占到您的权力,请实时联系ag官方电子平台删除。