宣布时间:2021-05-31点击:2718
摘要:为实现H65黄铜合金一连挤压的数值模拟和合理制订其热成形工艺参数,接纳Gleeble-1500热模拟实验机对该质料在热变形条件下的流变应力特征举行了研究。效果批注,在实验规模内, H65黄铜合金热压缩变形时爆发显着的动态再结晶;用Arrhenius方程的指数形式能较好地形貌H65黄铜合金高温变形时的流变应力行为;分区间求得热变形激活能Q,并分段建设了H65黄铜合金的本构方程。
要害词: H65黄铜合金;流变应力;本构方程;热模拟机;一连挤压
中图分类号: TG146. 1+ 1; TG113. 25 文献标识码: A 文章编号: 1007-2012(2008) 06-0113-05
小序
现在,在海内有色金属加工行业,大大都厂家接纳水平连铸法生产黄铜杆。而接纳一连挤压要领生产黄铜线材相对很少。一连挤压要领工艺简朴,既能节约能耗,降低本钱,又能一次性成形,这些的优点使得它在黄铜线的生产中蕴藏重大的潜力。但由于黄铜合金变形温度高、变形抗力大、高温氧化性强,黄铜合金一连挤压手艺在塑性变形机理、工艺参数等方面尚有待进一步研究.
金属热变形流变应力是质料在高温下的基天性能之一,不但受变形温度、变形水平、应变速率及合金化学因素的影响,也是变形体内部显微组织演变的综合反应。无论在制订合理的热加工工艺方面,照旧在以塑性有限元为代表的现代塑性加工力学中,其准确的流变应力数值或表达式是提高理论盘算精度的要害,因此,近年海内外在这方面的研究十分活跃[1-5]。张红钢等[6]对KFC铜合金热压缩变形流
变应力举行了剖析;周晓华,柳瑞清[7]对高温下的几种铜合金流变应力也举行了研究,但关于H65黄铜合金流变应力的研究甚少。
本文接纳Gleeble-1500热模拟机,团结一连挤压工艺,制订工艺计划。在变形温度为100℃ ~800℃和应变速率为0. 01s- 1~ 1s- 1的变形条件下,对H65黄铜合金举行了等温热压缩实验,通过对黄铜合金热压缩变形流变应力与变形水平、应变速率以及变形温度之间关系的剖析,建设其本构方程,为合理制订黄铜合金热变形工艺提供参考,以及为有限元数值模拟进一步剖析,提供准确数据或数学模子。
1.实验要领
接纳Gleeble-1500热模拟实验机举行圆柱体等温压缩实验。试样为Ф7mm× 13mm的圆柱体;压缩温度为100℃~ 800℃;由一连挤压轮转速确定应变速率为0. 01s- 1~ 1. 0s- 1;总压缩应变量为0. 5。热模拟实验的升温速率为200℃/min,保温时间为3min。详细实验计划为,温度100℃ ~ 800℃,温度距离100℃,应变速率划分为0. 01s- 1、0. 10s- 1和1. 0s- 1。H65黄铜合金的化学因素如表1。

2.效果与剖析
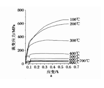
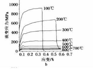
图1所示为H65黄铜合金在变形温度为100℃~ 800℃ 、应变速率为0. 01s- 1~ 1. 0s- 1热压缩条件下游变应力曲线。
1)由图1可知, H65黄铜合金的流变应力随试样的变形水平的转变而泛起出差别的转变趋势。H65黄铜合金在低温时(100℃、200℃)较脆,以是在应变速率较大(0. 1s- 1、1. 0s- 1)时,试样泛起断裂征象。其断口形貌如图2所示,其断口没有视察到显着的韧窝,而泛起纤维组织,且压缩时沿泛起纤维组织处泛起裂痕,证实H65黄铜低温时韧性差易断裂。
在压缩变形初期,质料的流变应力随应变量的增添而迅速增添,呈加工硬化趋势,尤其是在变形温度较低(300℃)时,流变应力始终呈显着上升趋势;然后随应变量的继续增大,由于再结晶爆发软化效应,此时流变应力趋于平缓甚至呈下降趋势,但下降不显着,即软化不显着。
2)在恒定的应变速率下,流变应力随变形温度的升高而减小,而在统一应变速率的较高温度(400℃ ~ 600℃)时,流变应力曲线泛起峰值,此后又趋于平缓。这是由于在统一变形条件下,随着形变的增添爆发加工硬化,凌驾某一形变量后爆发动态再结晶软化,当软化速率与硬化速率平衡时,流变应力抵达***大值;随后随着动态再结晶的举行,软化速率大于硬化速率,应力逐渐下降;当爆发完



全动态再结晶后,其晶粒组织和流变应力不随形变量转变,即进入稳态变形阶段[8]。当温度为700℃~ 800℃时,流变应力曲线趋于平缓未泛起峰值。这是由于随着温度的增添,黄铜合金金属原子动能增添,原子振动幅度增添,使得更多位错被激活,滑移系增多,从而改善了黄铜合金晶粒的相互协调性,使得质料塑性增添,合金强度降低[9]。
3)当应变速率较低( 0. 01s- 1)、形变量较小时,质料泛起瞬间的屈服,软化较显着,随后随着形变量的增大,加工硬化占主导职位,使得其流变应力增大,这种情形只爆发在应变速率较小时,这说明流变软化在较大的应变速率下,没有足够的时间爆发充分的软化;而在应变速率较低时,质料在成形历程中有充分的时间举行再结晶。

3.本构方程的建设
3. 1应变速率对流变应力的影响
从图3中看出,随应变速率的升高,合金的稳态流变应力增大,但并不是成比例增大。金属质料热变形历程中,在任何应变或稳态下的高温流变应力强烈地取决于变形温度T和应变速率,通常接纳差别的数学模子———本构方程来形貌H65黄铜合金的高温变形是一个热激活历程,知足Arrhenius关系[10-11]:
﹒ε= Aσ n·exp- QRT(1)
式中 A, n———均为与温度无关的常数
Q———热激活能,反应质料热变形的难易水平,是质料在热变形历程中主要的力学性能参数
T———绝对温度
R———气体常数
ε———应变速率
大宗研究批注,式(1)能较好地形貌铜合金通例的热加工变形,如压缩、扭转、挤压等[12]。以是将式
(1)双方取对数整理得
lnσ= mln﹒ε+ mQRT- ln A (2)式中 m———应变速率敏感指数, m= 1/ n,

令B= mQRT- ln A ,当T一准时,得m= lnσ ln﹒εT
(3)由于其应力应变曲线400℃ ~ 600℃泛起峰值,而700℃ ~ 800℃趋于水平,以是400℃ ~ 600℃时流变应力取其峰值应力, 700℃ ~ 800℃时取其稳态应力;将差别变形温度下黄铜合金变形时的流变应力和应变速率值代人式(3),绘制响应的ln﹒ε-lnσ关系曲线,如图4所示。图4批注, H65黄铜合金高温变形稳态流变应力和应变速率的对数关系知足线性关系。通过线性回归,求出m和B值,由图5可见,随温度的升高, m值减小,批注合金的变形抗力对应变速率的敏感水平减小。

为提高H65黄铜合金有限元模拟的准确性,故分段求得温度400℃ ~ 600℃时斜率的平均值m=0. 143, n= 6. 993, 700℃ ~ 800℃时的m= 0. 0653,n= 15. 314;且求得每条直线的回归相关系数在所有温度下均凌驾0. 99。由此可以以为, H65黄铜合金在高温压缩变形时的流变应力-应变速率关系知足指数关系的形式。
3. 2温度对流变应力的影响
温度的转变直接影响流变应力的巨细(见图3)。温度的转变还可能使合金在变形时爆发动态再结晶和动态回复等组织转变。由式(1)得
lnσ=QnRT+ln﹒εn-ln An(4)图
式(4)批注lnσ和1/ T之间的线性关系。lnσ-1/T的曲线如图6所示,剖析批注,在差别的温度区间,曲线具有差别的斜率,这与文献[13-14]中的效果有所差别;线性回归划分求得lnσ和1/ T斜率的平均值为, 400℃ ~ 600℃时k= 3290, 700℃ ~800℃时k= 2810,在恒应变速率条件下变形时,假定一定温度规模内热激活能Q坚持稳固,则热激活能Q由下式求得
Q= nR lnσ 1/ T﹒ε(5)


4.金相组织视察
经盘算,在差别的温度区间获得差别的变形激活能,这与高温变形时α相和β相的相对含量的转变有关。图7为差别变形温度的金相组织,可以视察到H65黄铜400℃最先爆发动态再结晶, 600℃时动态再结晶竣事,爆发动态再结晶后,晶粒获得细化,可以看到显着的晶界(见图7a、图7b)。当温度抵达700℃时,组织形貌显着差别,最先从β相中析出针状α相(见图7c),随着温度的继续升高,α相含量增大并以针状匀称漫衍(见图7d)。体现在曲线上的特征为, 400℃ ~ 600℃先泛起峰值再趋于平稳,而700℃ ~ 800℃未泛起显着峰值,曲线趋于水平且流变应力值减小。这合理地诠释了差别温度区间具有差别的变形激活能的理论。同时,也充分证实晰分段建设本构方程的合理性与准确性。分段建设的质料模子提高了有限元模拟的精度.
5.结论
1)在恒定的应变速率下,流变应力随变形温度的升高而减小,而在统一应变速率的较高温度
(400℃ ~ 600℃)时,真应力-应变曲线具有显着的峰值,温度高于700℃时,真应力-应变曲线趋于水平,变形机制为动态再结晶软化。
2)用Arrhenius方程的指数形式能较好地形貌H65黄铜合金高温变形时的流变应力行为,回归相关系数在所有温度下均凌驾0. 99。
3)应力敏感指数随温度的升高而减小,在差别的温度区间获得差别的变形激活能,在400℃ ~



600℃时Q= 191188J/mol,在700℃ ~ 800℃时Q=357599J/mol。激活能的巨细与α相和β相的相对含量的转变有关。
泉源:中国知网 作者:王延辉
免责声明:本站部分图片和文字泉源于网络网络整理,仅供学习交流,版权归原作者所有,并不代表我站看法。本站将不肩负任何执法责任,若是有侵占到您的权力,请实时联系ag官方电子平台删除。